emilspec
An Integrated Publishing, Inc. Site
eMilSpec
An Integrated Publishing Website
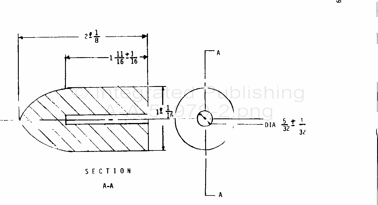
A-A-51979 Cone, Felt (Dental Grinding And Polishing Machine)
This commercial item description covers a felt cone suitable for use in polishing dental appliances.
Pages
1
-
2
-
3
-
4
A-A-51979
For Parts Inquires submit RFQ to
Parts Hangar, Inc.
© Copyright 2015 Integrated Publishing, Inc.
A Service Disabled Veteran Owned Small Business